鼓风干燥箱使用说明书!
DHG-9000型系列电热恒温鼓风干燥箱容积有40升、100升、140升、220升四种规格,美观实用。外壳体均采用钢板焊接而成,表面喷涂,内室钢板喷涂耐高温银粉漆或不锈钢板制成,设有二至四层搁板。隔温采用超细玻璃棉,箱门设有双层玻璃观察窗,工作室与箱门装有耐热硅橡胶或石棉绳隔温密封。干燥箱的电源开关、控温仪等操作件均集中在箱体前面,便于操作。
箱内加热恒温系统装有电加热器、控温仪、风机、合适的风道结构组成。当接通电源时,风机同时工作,将电热器产生的热量通过风道排出,经过工作室内干燥物品再吸入风机,如此不断循环使温度达到均匀。
控温仪为微电脑智能型数字控温仪,采用递进式加温,限度抑制温度过冲,具有自整定功能,控温精度高,设定温度带有保护装置,同时具有跟踪报警功能。
四、使用方法
1、将被干燥的物品放入工作室内,关好箱门后再接通电源。
2、调节控温仪设定温度,加热指示灯亮,开始进入加热,方法如下:
将电源开关拨至“开”处。约7秒钟,控温仪上部显示箱内温度,下部为设定温度。按↑↓键一下,上排显示SP,按▲或▼键使下排显示为所需要的设定温度,再按↑↓键一下,上排显示ST( 按▲或▼键使下排显示为所需要的定时时间,当ST设置为0时仪表取消定时功能,当ST设置不为0时,仪表才有定时功能。正常情况无需设定时间,本时间为本机工作计时,到时关闭,没有再起动功能。)再按↑↓键一下,回到标准模式控温仪设定即告结束,仪器即可正常工作。一般情况下,加热90分钟后温度控制进入恒温状态。
3、打开箱门,把所需物品放入箱内,关好箱门,如箱门开门时间过长,箱内温度有些波动,这是正常现象。
4、在物品干燥期间,除非放、取箱内物品外,不要打开箱门,以免影响温度。
5、当所需工作温度较低时,可采用二次设定方法,这样可降低或杜绝温度过冲现象,使工作室尽快进入恒温现象。
6、根据需要选择干燥时间,干燥结束后,把电源开关拨至“O”,如不马上取出物品,小心烫手,可先打开箱门,降低箱内温度。
五、注意事项
1、干燥箱外壳必须有效接地,以保证使用安全。
2、干燥箱应放置在具有良好通风条件的室内,在其周围不可放置易燃易爆物品。
3、箱内物品放置切勿过挤,必须留出空间。
4、箱内外应经常保持清洁,长期不用应盖好塑料防尘罩,放在干燥室内。
六、故障处理
|
现 象 |
原 因 |
处 理 |
|
1、无电源 |
1、插头未插好或断线
2、熔断器开路 |
1、插好插头或接好线
2、换熔断器 |
|
2、箱内温度不升 |
1、设定温度低
2、电加热器坏
3、控温仪坏
4、风机坏 |
1、调整设定温度
2、换电加热器
3、换控温仪
4、换风机 |
|
3、设定温度与箱内温度相差大 |
1、温度传感器坏
2、设定温度微调电位器未调整好 |
1、换温度传感器
2、调整微调电位器 |
|
4、超温报警异常 |
1、设定温度低
2、控温仪坏 |
1、调整设定温度
2、换控温仪 |
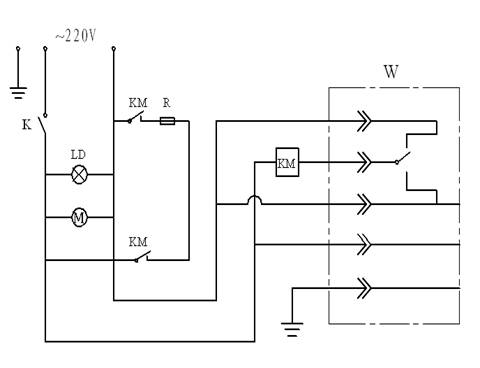
七、电器原理图:

八、装箱清单:
|
序号 |
类别 |
名 称 |
单位 |
数量 |
备注 |
|
1 |
文件 |
使用说明书 |
份 |
1 |
|
|
2 |
文件 |
合格证 |
份 |
1 |
|
|
3 |
文件 |
保修卡 |
份 |
1 |
|
|
4 |
备件 |
熔断器芯 |
只 |
2 |
|
